Click Image to Change Diagram

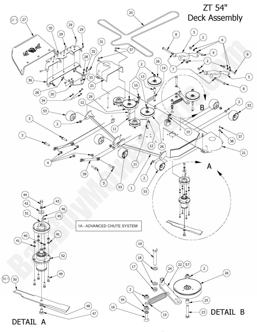
The 2015 ZT Elite 54" Deck Assembly is built for durability and precision, providing a clean cut with every mow. BadBoyMowerParts.com carries a full range of Bad Boy Mower Parts to keep your 54" deck working at peak performance. From spindle assemblies to replacement blades, we have everything you need to maintain or repair your deck. Our Bad Boy Mower Part Diagrams ensure you find the exact match for your mower. Alongside deck components, we offer a full selection of Bad Boy Lawn Mower Parts to keep your entire mower in top shape. Ordering Bad Boy Parts Online is easy, and with Free Shipping On Orders Over $100, you can get your parts delivered quickly.

|