011-7002-00
In stock
023-0020-00 - 2012-2016 Outlaw XP, 2012-2020 Diesel Suspension Fork Top/Side Combo
In stock
In stock
In stock
In stock
In stock
In stock
In stock
In stock
In stock
In stock
In stock
In stock
In stock
In stock
In stock
In stock
In stock
In stock
In stock
In stock
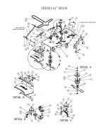
The 2013 Diesels Suspension Fork Assembly plays a vital role in absorbing shocks and ensuring a smooth ride across challenging terrains. If your suspension forks need replacement or repair, BadBoyMowerParts.com has a wide selection of high-quality Bad Boy Mower Parts for the 2013 Diesels Suspension Fork Assembly. Our Bad Boy Mower Part diagrams help you pinpoint the exact parts you need, making it easier to restore comfort and performance to your mower. With our range of Bad Boy Lawn Mower Parts, you can trust that each component is designed to meet OEM standards for durability and reliability. Shopping for Bad Boy Parts Online is simple, and we offer Free Shipping On Orders Over $100 to make your purchase more affordable. Don't let suspension issues affect your mowing—shop with us today for all your 2013 Diesels suspension fork assembly needs.
